1. Giới thiệu chung
Van bướm TBL-66155F nhãn hiệu TLSH-France là dòng van bướm dạng wafer có tích hợp sẵn công tắc giám sát hành trình (limit switch), dùng để giám sát trạng thái đóng/mở của van trong hệ thống cấp nước, trạm bơm và đặc biệt là hệ thống phòng cháy chữa cháy (PCCC). Van có thể kết nối với bảng điều khiển trung tâm PCCC hoặc thiết bị cảnh báo phụ trợ như chuông báo, đèn hoặc còi.

2. Ứng dụng
- Hệ thống cấp nước, cấp nước sạch sinh hoạt.
- Trạm bơm, hệ thống đường ống công nghiệp.
- Hệ thống PCCC (chữa cháy sprinkler hoặc hydrant), yêu cầu có giám sát van.
- Tòa nhà cao tầng, trung tâm thương mại, nhà máy, kho vận.
3. Đặc điểm kỹ thuật
Thông số |
Giá trị |
Kiểu van |
Van bướm wafer có công tắc giám sát |
Kích cỡ danh định (DN) |
DN50 – DN300 |
Áp suất làm việc tối đa |
16 bar |
Nhiệt độ làm việc tối đa |
+110°C |
Áp suất thử thân |
24 bar |
Áp suất thử seat (ghế van) |
17.6 bar |
Chuẩn mặt bích |
EN 1092-2 |
Tiêu chuẩn chiều dài lắp đặt |
DIN 3202 |
Chuẩn kiểm tra |
EN 12266-1 |
Sơn phủ |
Epoxy tĩnh điện |
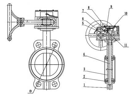
4. Vật liệu cấu tạo

STT |
Bộ phận |
Vật liệu |
1 |
Thân van (Body) |
Gang xám GG25 |
2 |
Gioăng làm kín (Seat) |
EPDM |
3 |
Đĩa van (Disc) |
Gang cầu GGG50 |
4 |
Trục (Stem) |
Inox 420 |
5 |
Hộp số (Gear box) |
Gang cầu GGG40 |
7 |
Vỏ công tắc (Signal shell) |
ABS |
Van được trang bị 2 công tắc hành trình:
– 1 kết nối với bảng điều khiển trung tâm
– 1 kết nối với thiết bị phụ trợ (ví dụ: chuông, còi, đèn báo...)
5. Ưu điểm nổi bật
- Kết cấu chắc chắn, vận hành ổn định với áp lực và nhiệt độ cao.
- Tích hợp công tắc giám sát, hỗ trợ kiểm soát tình trạng vận hành trong hệ thống PCCC.
- Chất liệu EPDM và gang cầu, chống ăn mòn và chịu được môi trường nước khắt khe.
- Tín hiệu đóng/mở rõ ràng, dễ đấu nối về trung tâm hoặc cảnh báo phụ trợ.
- Thiết kế wafer nhỏ gọn, dễ lắp đặt giữa hai mặt bích.