Hỗ trợ tư vấn 1: 0383478272
Hỗ trợ tư vấn 2: 0979010683
Hỗ trợ tư vấn 3:
0986784306
Hỗ trợ tư vấn 4: 0989777682
Hỗ trợ kỹ thuật: 0977284799
Hỗ trợ tư vấn 1: 0383478272
Hỗ trợ tư vấn 2: 0979010683
Hỗ trợ tư vấn 3:
0986784306
Hỗ trợ tư vấn 4: 0989777682
Hỗ trợ kỹ thuật: 0977284799
1. Giới thiệu chung
Y lọc TYS-612F là thiết bị cơ khí dạng lọc cơ bản, lắp đặt trên hệ thống đường ống để loại bỏ tạp chất rắn (như cát, sỏi, gỉ sét, rác...) ra khỏi dòng lưu chất. Thiết bị này giúp bảo vệ van, đồng hồ, bơm và các thiết bị nhạy áp khác trong hệ thống cấp nước, PCCC, HVAC và trạm bơm.
Với thiết kế dạng Y đơn giản nhưng hiệu quả, bộ lọc sử dụng lưới lọc bằng inox, dễ dàng tháo rửa, bảo trì định kỳ. Là một trong những thiết bị không thể thiếu trong hệ thống cơ điện và công trình kỹ thuật.


2. Ứng dụng
Y lọc TYS-612F được sử dụng phổ biến trong:
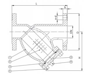
3. Cấu tạo và nguyên lý hoạt động
Bộ lọc chữ Y bao gồm:
Khi nước đi qua thiết bị, các hạt rắn lớn sẽ bị giữ lại tại lưới lọc, nước sạch tiếp tục chảy về hệ thống phía sau.
4. Thông số kỹ thuật
|
Thông số kỹ thuật |
Giá trị |
|
Kiểu van |
Lọc chữ Y (Y-Strainer) |
|
Kích cỡ danh định (DN) |
DN50 – DN300 |
|
Áp suất làm việc tối đa |
16 bar |
|
Áp suất thử thân van |
24 bar |
|
Nhiệt độ làm việc tối đa |
+80°C |
|
Tiêu chuẩn mặt bích |
EN 1092-2 |
|
Tiêu chuẩn chiều dài mặt đối mặt |
DIN 3202 |
|
Tiêu chuẩn kiểm tra |
EN 12266-1 |
5. Cấu tạo vật liệu
|
STT |
Bộ phận |
Vật liệu |
|
1 |
Thân van (Body) |
Gang cầu GGG50 (Ductile Iron) |
|
2 |
Lưới lọc (Screen) |
Inox 304 (Stainless Steel 304) |
|
3 |
Gioăng (Gasket) |
Graphite |
|
4 |
Bu lông (Bolt) |
Thép mạ kẽm (Galvanized Steel) |
|
5 |
Nắp van (Cover) |
Gang cầu GGG50 |
|
6 |
Nút xả (Plug) |
Thép mạ kẽm |
6. Ưu điểm nổi bật