Trong lĩnh vực van công nghiệp hiện nay, để tìm cho mình một nơi cung cấp van công nghiệp chính hãng là rất khó. Nhưng nếu bạn biết đến Đại Nam - công ty hoạt động trong lĩnh vực van công nghiệp với hơn 15 năm kinh nghiệm, thì giải pháp cung cấp Van Cầu cho công trình của bạn sẽ được giải đáp.
Van cầu là gì?
Van cầu có tên tiếng anh là Globe valve là một loại thiết bị sử dụng để đóng, mở, điều tiết dòng chảy của lưu chất trong hệ thống đường ống. Do có hình dạng gần giống với hình cầu nên van được gọi là van cầu. Bên trong thân van có một vách ngăn chia van làm hai phần riêng biệt. Nửa dưới nơi dòng lưu chất đi vào và nửa trên nơi dòng lưu chất đi qua. Vách ngăn có một lỗ tròn để lưu chất đi vào từ nửa dưới được dẫn đến nửa trên của van.
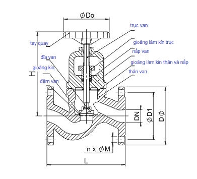
Cấu tạo Van Cầu
 
       
Van cầu còn được gọi là van cầu hơi, van cầu yên ngựa, van cầu chữ ngã hay van cầu chữ S, do tính chất sử dụng cho ứng dụng và hình dạng của van cầu mà người ta gọi theo tên như vậy. Van cầu có dạng van cầu nối ren và van cầu nối bích.
Ứng dụng của Van Cầu:
Van cầu sử dụng trong các ứng dụng cần điều tiết lưu lượng của lưu chất trong hệ thống đường ống mà không cần quan tâm đến áp suất giảm. Đây là các ứng dụng mà lưu lượng tác động trực tiếp đến sản phẩm như
- Các hệ thống làm mát, hệ thống chiller nơi lưu lượng dùng để điều chỉnh nhiệt độ của hệ thống.
- Hệ thống nhiên liêu như dầu, xăng
- Hệ thống cung cấp hóa chất nơi mà khối lương lưu chất rất quan trọng
- Hệ thống dầu bôi trơn, dầu thủy lực
- Hệ thống hơi, khí nén.
Hiện tại van cầu được cung cấp bởi ĐẠI NAM rất đa dạng về chủng loại và phù hợp về giá thành, đây chính là điểm đặc biệt khiến khách hàng tin chọn và đặt hàng tại Đại Nam. Tất cả sản phẩn van công nghiệp tại Đại Nam không chỉ chất lượng mà giá cả phù hợp từ thương hiệu nổi tiếng.
Vì thế khi muốn lựa chọn van Cầu hay van công nghiệp các loại cho công trình của mình, các nhà thầu, chủ đầu tư hãy liên hệ Đại Nam để được tư vấn miễn phí về sản phẩm và dịch vụ.
Mọi thông tin xin vui lòng liên hệ:
CÔNG TY CỔ PHẦN KHOA HỌC CÔNG NGHIỆP ĐẠI NAM
Địa chỉ: Phòng 303- Tầng 3 tòa nhà hỗn hợp AN BÌNH 1- Số 3 đường Trần Nguyên Đán-Khu đô thị mới Định Công- P. Định Công – Q. Hoàng Mai – HN.
Hotline: 0383 478 272 Tel: 024 364 00111
Email: dainam@dainamco.vn Website: congnghiepdainam.com.vn

 
								 
		 
		 
		 
		 
		 
		 
		 
		 
		 
		
 
		 
		 
 