1. Giới thiệu chung

Van báo động ướt TAV-603F là thiết bị trung tâm trong hệ thống sprinkler ướt, hoạt động bằng cách mở dòng nước khi có sự cố cháy. Khi nhiệt độ môi trường tăng cao, đầu phun sprinkler sẽ kích hoạt, làm giảm áp lực phía trên van, giúp nước chảy qua van để cấp cho hệ thống và kích hoạt chuông báo cháy, công tắc áp lực, v.v.
2. Cấu tạo chính
Van TAV-603F gồm các bộ phận:
- Thân và nắp van: Gang dẻo (ductile iron)
- Đệm làm kín: NBR
- Đĩa và ghế van: đồng thau (brass)
- Bu lông, ốc vít: thép
- Chốt: inox
Áp lực làm việc tối đa: 16 bar
Nhiệt độ hoạt động: 0 – 100°C
Kết nối mặt bích tiêu chuẩn: EN 1092-2
3. Nguyên lý hoạt động
Khi hệ thống ở trạng thái bình thường, đường ống luôn đầy nước ở cả hai phía van. Khi có cháy:
- Đầu phun sprinkler mở ra, áp suất nước phía trên giảm.
- Áp lực phía dưới đẩy đĩa van mở ra, cho nước đi qua van vào hệ thống sprinkler.
- Một phần nước được dẫn tới bộ trễ (delayer) và chuông báo (alarm bell), kích hoạt báo động và công tắc áp lực để gửi tín hiệu đến trung tâm điều khiển.
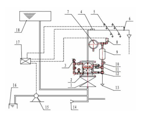
4. Sơ đồ lắp đặt

Hệ thống van báo động ướt bao gồm các thiết bị chính:
- Van cổng (Gate valve)
- Van báo động ướt (Wet alarm valve – TAV-603F)
- Đồng hồ áp suất (Pressure gauge)
- Công tắc dòng chảy (Water flow switch)
- Đầu phun chữa cháy (Sprinkler)
- Van điện từ chữa cháy (Electromagnetic valve)
- Chuông báo cháy (Alarm bell)
- Công tắc áp lực (Pressure switch)
- Bộ trễ (Delayer)
- Lọc chữ Y (Y-strainer)
- Van cổng (Gate valve)
- Van bi (Ball valve)
- Đường thoát nước (Floor drain)
- Đầu nối máy bơm chữa cháy (Water pump adapter)
- Máy bơm chữa cháy (Fire water pump)
- Bể chứa nước chữa cháy (Pool)
- Tủ điều khiển điện (Electric control box)
- Bể nước cấp nước chữa cháy trọng lực (Water tank)
5. Quy trình lắp đặt

Bước 1. Chuẩn bị vị trí lắp đặt
- Lắp van theo hướng dòng chảy chỉ định trên thân van.
- Bố trí đủ không gian để thao tác, bảo trì và kiểm tra.
- Đảm bảo bề mặt mặt bích sạch, phẳng và đúng tiêu chuẩn.
Bước 2. Lắp đặt van báo động ướt
- Kết nối van TAV-603F với hệ thống đường ống bằng mặt bích tiêu chuẩn EN 1092-2.
- Sử dụng gioăng NBR để làm kín các mặt tiếp xúc.
- Siết bu lông đều theo đường chéo để tránh lệch mặt bích.
Bước 3. Kết nối phụ kiện
- Gắn đồng hồ áp suất, công tắc áp lực, chuông nước, bộ trễ và lọc chữ Y theo đúng sơ đồ.
- Van cổng lắp ở đầu vào và đầu ra để dễ dàng cô lập khi bảo dưỡng.
Bước 4. Kiểm tra và thử nghiệm
- Mở nước để kiểm tra rò rỉ.
- Kiểm tra hoạt động của chuông báo, công tắc áp lực và bộ trễ.
- Đảm bảo toàn bộ hệ thống hoạt động đồng bộ và đúng áp suất yêu cầu (≥ 0.1 MPa tại đầu phun xa nhất).
6. Bảo trì định kỳ
- Kiểm tra rò rỉ tại các mối nối, mặt bích.
- Kiểm tra định kỳ hoạt động của chuông nước và công tắc áp lực.
- Làm sạch lọc Y để đảm bảo lưu lượng ổn định.
- Định kỳ xả thử hệ thống để đảm bảo khả năng kích hoạt tự động.
7. Những lưu ý khi lắp đặt và sử dụng van báo động
Để bảo bảo hiệu suất vận hành của thiết bị, trong quá trình lắp đặt và sử dụng bạn cần lưu ý một số khía cạnh sau:
Van báo động chữa cháy cần phải được sử dụng cho môi trường nước có nhiệt độ nằm trong khoảng từ 0℃ đến 100℃. Trong trường hợp môi trường có nhiệt độ thấp hơn 0℃, hệ thống chữa cháy tự động vẫn có thể được lắp đặt nhưng cần có biện pháp chống đóng băng cho đường ống dẫn phía sau van báo cháy.
- Trước khi lắp đặt vào hệ thống, Alarm valve cần phải được trang bị đầy đủ các phụ kiện. Đường ống nên được vệ sinh sạch sẽ, có thể lắp đặt van lọc y trước van báo động đối với nguồn nước chứa nhiều tạp chất hoặc cặn bẩn.
- Chọn vị trí lắp đặt van ở những điểm dễ quan sát, có không gian thuận tiện cho việc lắp đặt và bảo trì. Ngoài ra, luôn mở buồng điều áp để tránh tình trạng báo giả.
- Quá trình lắp đặt cần phải tuân thủ các tiêu chuẩn, đảm bảo sự chính xác theo đúng tiêu chuẩn kỹ thuật.
- Lên kế hoạch thường xuyên để bảo trì van đúng định kỳ, tránh tình trạng đường ống không có nước, tắc nghẽn dẫn đến các đầu ống phun Sprinkler không có đủ nước chữa cháy khi cần thiết.
Với hơn 20 năm kinh nghiệm trong lĩnh vực phân phối van công nghiệp, Đại Nam tự hào là đơn vị uy tín, chuyên cung cấp các thiết bị van báo động chất lượng cao cho hàng trăm công trình lớn nhỏ trên cả nước.
Lợi thế khi mua hàng tại Đại Nam:
- Sản phẩm chính hãng thương hiệu TLSH-France, đầy đủ CO-CQ.
- Hàng luôn có sẵn số lượng lớn trong kho, sẵn sàng giao ngay.
- Giá bán cạnh tranh, chiết khấu tốt cho công trình.
- Bảo hành rõ ràng, xử lý nhanh trong 1–3 ngày làm việc.
- Tư vấn kỹ thuật tận tình 24/7, hỗ trợ chọn đúng sản phẩm.
- Vận chuyển toàn quốc – Giao hàng nhanh – Đóng gói kỹ càng.
- Hỗ trợ lắp đặt, hướng dẫn sử dụng và bảo trì sau bán.
Liên hệ đặt hàng và tư vấn miễn phí
Nếu bạn đang cần tìm hiểu thêm thông tin về van báo động, hoặc cần được báo giá chi tiết cho dự án, hãy liên hệ ngay với đội ngũ chuyên viên kỹ thuật của Đại Nam. Chúng tôi luôn sẵn sàng đồng hành cùng bạn trong mọi công trình!
